

功能特性:
可用在I区、II区爆炸性气体危险场所,亦可用在21区、22区可燃性粉尘环境,由于采用先进的防爆结构,设备可广泛应用在化工、石油、天然气、海上平台、船舶、矿区等需防爆场所;
不锈钢,坚固耐用,耐腐蚀;
发热体为加热管,加热管在耐高温不锈钢无缝管内均匀地分布高温电阻丝,在空隙部分致密地填入导热性 能和绝缘性能均良好的结晶氧化镁粉使得防爆电加热管热效率高,散热均匀,使用寿命长;
400—756—0186产品描述:
防爆电加热器是一种消耗电能转换为热能,来对需加热物料进行加热。
防爆电加热器作为防爆部件,应当与热电偶等温度联锁控制保护系统配合使用;
加热介质为液体时,元件的有效长度应当全部浸在液体中。元件发热部份应与容器壁有一定距离,一般为50—60mm以上。
工作电压不大于额定值的1.1倍,防爆电加热器电源为380V的按照“Y”型接法,使用前认准并连接好电源,外壳应有效接地;
订货备注:
1、额定电压:□AC220V □AC380V
2、加热管长度,安装法兰均可订制
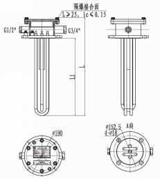
外形尺寸:(仅作参考)
技术参数:
| 防爆参数 | |
| 防爆合格证编号 | CNEx15.0247U |
| 防爆标志 | Ex d ⅡC Gb/ Ex tD A21 IP65 |
| 防护级别 | IP65 |
| 电气参数 | |
| 额定电压 | AC220V/380V |
| 额定功率 | 2、3、6、9KW |
| 工作频率 | 50Hz |
| 机械参数 | |
| 材质 | 碳钢Q235A(标配)其它材质请联系 |
| 电缆引入装置 | 根据功率而定 |
| 环境指标 | |
| 大气压力 | 80~106KPa |
| 相对湿度 | ≤95%RH(+25℃) |
| 海拔高度 | ≤2000m |
| 环境温度 | -45℃~+60℃ |
可选件(以实物为准):
隔爆断路器 防爆挠性连接管 防爆接线箱 防爆插接装置


防爆空调:0377-63235228/ 63250906
监控通讯:0377-61616099/ 63707156
防爆箱柜:0377-63283138/ 63251136
灯具附件:0377-63265710
传 真:0377-63235296 63212576
公司邮箱:yitongex@163.com
公司官网:www.yitongex.com
电话:400-756-0186
传真:0377-63212576
邮箱地址:yitongex@163.com
公司地址:中国河南省南阳市伏牛路生态工业园区